TIRE SUAS DÚVIDAS ANTES DE COMPRAR: CLIQUE AQUI E FALE POR WHATSAPP
Manual de Serviço Honda NXR 160 Bros ESD ESDD 2015-2017 - PDF Completo
O Manual de Serviço Honda NXR 160 Bros ESD ESDD 2015-2017 é a referência técnica oficial para oficinas, mecânicos e proprietários que desejam executar manutenção, diagnóstico e reparos com padrão de concessionária.
Produzido com o mesmo conteúdo utilizado em concessionárias autorizadas e centros técnicos da fábrica, este manual reúne procedimentos detalhados, especificações técnicas e diagramas oficiais para garantir serviços com segurança, precisão e confiabilidade.
📌 Informações do Arquivo
Modelo: NXR 160 Bros ESD ESDD
Ano: 2015 - 2017
Idioma: Português
Número de páginas: 402 páginas
Formato: PDF
🔧 Conteúdo Técnico Abrangente
Este manual cobre todas as áreas essenciais da motocicleta:
Manutenção preventiva e periódica (óleo, filtros, velas e inspeções)
Motor: desmontagem, montagem, folgas, torques e regulagens
Transmissão e embreagem
Sistema de freios (hidráulico e mecânico)
Suspensão dianteira e traseira
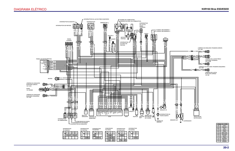
Sistema elétrico com diagramas completos
Chassi, rodas e inspeções estruturais
Especificações técnicas: medidas, capacidades, folgas e torques
✔ Por que escolher este manual?
Material técnico oficial de referência
Procedimentos passo a passo ilustrados
Ideal para oficinas independentes e escolas técnicas
Reduz erros e agiliza o serviço
Evita retrabalho e eleva o padrão da manutenção
Com o Manual de Serviço Honda NXR 160 Bros ESD ESDD 2015-2017 em PDF, você tem acesso às informações técnicas necessárias para executar reparos com segurança e padrão de fábrica. Invista em conhecimento técnico para ganhar tempo, elevar ainda mais o padrão do serviço e rentabilizar a mão de obra !!
Manual de Serviço Honda NXR 160 Bros ESD ESDD 2015-2017 - PDF
Por ser um produto digital, depois de pago o acesso é imediato, logo não aceitamos Cancelamentos, Trocas ou fazemos Reembolsos.
Portanto, só realize a compra se esse for realmente o Manual ou Catálogo de peças que desja.
Tenha certeza do modelo e do ano que você precisa. Tire todas as suas dúvidas antes de comprar para evitar divergências, com certeza terá respostas esclarecedoras.
Prezamos pela honestidade e boa reputação!
Após avaliar se o manual que você encontrou realmente é o que está procurando você será encaminhado para o processo de compra clicando no Botão: Comprar.
Preencha seus dados cadastrais para os devidos fins fiscais, faça o pagamento e acesse a área de Download do Produto escolhido.

